Обладнання для виробництва казеїну-сирцю
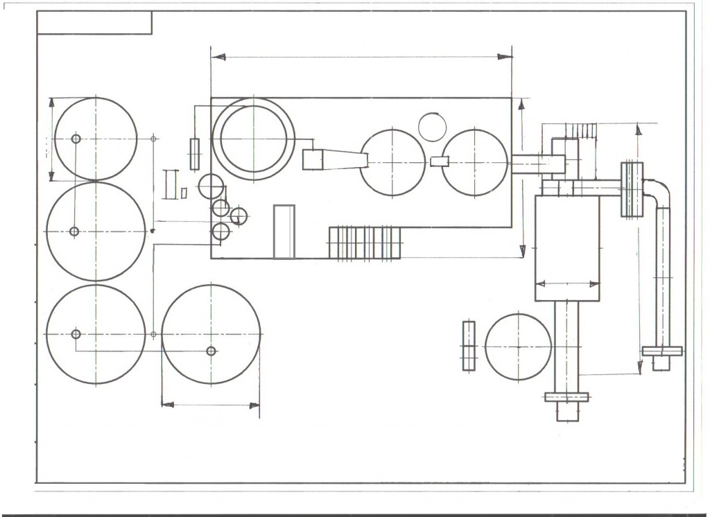
Лінія виробництва казеїну ЛК
Лінія виробництва молочного казеїну-сирцю призначена для отримання безперервним способом молочно-кислотного казеїну із охолодженого знежиреного молока з використанням в якості коагулятора соляної кислоти (квасної молочної сироватки).
| ТЕХНІЧНІ ХАРАКТЕРИСТИКИ: | ||
| ЛК-1 | ЛК-2 | |
| продуктивність кг/год по випареній
волозі | 150 | 300 |
| споживання електроенергії, кВт/год | 60 | 76 |
| споживання пари з тиском не менше 0,3
МПа (3кгс/см²), кг/год, не більш | 600 | 1300 |
| споживання води, кг/год, не більш | 4000 | 4000 |
| вологість казеїну % мас | 60±2 | 60±2 |
| масова доля жиру % мас., не більш | 0,05 | 0,05 |
| вміст вологи % мас., не більш | 12 | 12 |
| вміст золи % мас., не більш | 2,5 | 2,5 |
| кислотність, °Т, не більш | 50 | 50 |
| знежирене молоко: кислотність °Т, не
більш | 23 | 23 |
| Габарити, мм, не більш: | ||
| довжина | 8500 | 9800 |
| ширина | 6200 | 7500 |
| висота | 3850 | 3900 |
| маса, кг | 4100 | 5600 |
![]() | ![]() | |

